CMH Manufacturing

Search:

HOMEPRODUCTSTRADITIONAL TILTING MACHINES → 3HS Tilt-Pour Permanent Mold Casting Machine

3HS Tilt-Pour Permanent Mold Casting Machine

Gravity Die Casting Machine

Features

  • Low maintenance due to few moving parts, heavy duty, rugged, and dependable.
  • Frame opens on 3 sides, plus front and bottom, to facilitate use of core pulls in 5 directions.
  • Twin cushioned tilt cylinders provide a smooth tilting motion from start to stop.
  • Twin ram cylinders provide a safety factor, as well as extra holding pressure and better clamping balance.
  • Hydraulic power units available in manual, automatic, or with programmable controllers, sized to facilitate all available accessories at low operating pressure.

Specifications

Clamping pressure

58,900 lbs.

(26.717 kg.)

Max. mold size

36 x 38 in.

(91 x 97 cm)

Max. mold weight

4,000 lbs

(1.815 kg.)

Ram stroke

30 in.

(76.2cm)

Daylight opening

17.50 in

(44.5 cm)

Pressure height center

12.50 in.

(31.8 cm)

Machine weight

8,150 lbs

(3,697 kg.)

Tie bar size

2 in. dia

(5.08 cm)

Tilt speed

7 sec.

 

Options

  1. Tie Bar Extensions
  2. Manual Swing In Casting Catcher 
  3. Powered Swing In Casting Catcher 
  4. Front Ejector 
  5. Proportional Tilt 
  6. Custom Platen Drilling or Sizes

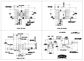
Click to enlarge.

The drawing (above) requires Adobe Acrobat Reader to view.
News01

Videos

3HS Tilt-Pour Permanent Mold Casting Machine Animation

SERVICES

CATALOG

NEWS

ARTICLES

VIDEOS

TRADESHOWS

Check back
soon for more
information.

REAL-TIME INTELLIGENCE: HMI DIAGNOSTICS & DATA ACQUISITION

 

By S M Abdul Basit Imam

Read more >